羅茨風機屬于容積式回轉風機,主要的動力來源為電機、柴油機或者電機柴油混合式, 選型的主要參數有風量、壓力、轉速、電機功率等,今天要和大家分享的知識是其工作原理,該文會從羅茨風機的結構形式、工作原理、注意事項等方面,為大家詳細講解羅茨風機的工作原理。
1、結構形式
一臺普通的三葉羅茨風機,主要由兩部分構成:驅動機和機頭,驅動機是風機的動力來源,可以是電機也可以是柴油機,機頭是羅茨風機的主要工作組件,通過有規律的運轉,以達到氣體輸送的目的。
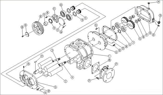
想要了解羅茨風機的工作原理,必須對羅茨風機的機頭結構有充分的了解,機頭的主要組成部分有:墻板、機殼、主動葉輪、從動葉輪、主動從動齒輪、主副油箱、軸承等,為了大家對羅茨風機的結構有清洗的認知,小編特意整理了一份結構圖供大家參考,如下所示:
2、工作原理
羅茨風機有兩個葉輪(圖二,圈中部分),在電機帶動下,兩個葉輪會相向轉動,當葉輪轉過進氣口之后,兩個葉輪和墻板及機殼之間會形成一個密封的腔室,葉輪繼續轉動,密封腔室里面的空氣會被壓入排氣口,如此反復經過進氣口和排氣口,將外界空氣輸送至目的地。
葉輪與葉輪、葉輪與墻板、葉輪與機殼之間會存在一定的間隙,該間隙有固定標準和誤差,誤差過大會產生其他相應的故障問題。在葉輪經過排氣口時,在管道前方壓力的作用下,會將部分氣體通過間隙泄漏至外界,這樣的泄漏,我們稱之為內泄漏。
羅茨風機的具體的工作原理流程請看下圖:
3、注意事項
羅茨風機屬于容積式風機,所以,在運轉起來之后,風量基本不會發生變化,當前方壓力稍有變化時,也能夠持續進行空氣輸送。
在長期使用之后,羅茨風機的風量會發生變化,多為風量減小,引起的主要原因是:葉輪與葉輪間隙、葉輪與墻板間隙、葉輪與機殼間隙發生了變化,造成內泄漏增大,進而影響羅茨風機的風量。
為了保證羅茨風機正常工作運轉,風機的其他組件也起到了非常重要的作用,如:軸承、齒輪等,配合工作的組件出現了異常故障,對風機的運轉也會造成很大的影響。所以,后期使用維護中,不僅要對重要組件進行細致維護,其他的配合組件也要定期進行養護!

羅茨鼓風機的工作原理很簡單,輔助一些圖片,我們能夠對其工作原理有清洗的認知,在理解羅茨風機的工作原理時,首先要掌握其基本結構,然后再去掌握其運轉原理,這樣就能夠很好的掌握羅茨風機的工作原理了。
山東錦工有限公司
山東錦工有限公司
地址:山東省章丘市經濟開發區
電話:0531-83825699
傳真:0531-83211205
24小時銷售服務電話:15066131928
